Внешний вид трансмиссии DCT
Кнематическая схема передачи крутящего момента
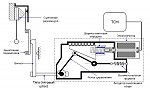
Плавность включения сцепления. Электропривод исполнительных устройств
Электропривод исполнительных устройств (до приведения в действие)
Электропривод исполнительных устройств (после приведения в действие)
Отдельный исполнительный механизм управления четными и нечетными передачами
Обсуждение всех вопросов по КПП в этой ветке: http://www.tucsonforum.ru/forum/showthread.php?t=25



